Троллеедержатель
Типы и основные параметры троллеедержателей:
Также троллеедержатели используются при монтаже любых других троллейных линий с показателями напряжения до 500 В постоянного тока и до 660 В переменного тока частотой 50 Гц.
Достаточно часто использование тролледержателей при монтаже троллейных линий в производственных цехах с крановым оборудованием.
Крепление троллей к троллеедержателю проводится с помощью шпонки, которая привариваривается при монтаже к полке троллея.
Тролледержатели имеют определенную модификацию, основанную на различных конструктивных исполнениях в зависимости от типа троллея.
Они могут быть:
- для гибких троллеев
- для жестких стальных троллеев с верхним токоприемником (которые в свою очередь также могут быть нескольких видов, отличных по профилю троллея) и т.д.
Различные модификации троллеедерателей позволяют производить их установку, как в закрытых помещениях, так и на открытом пространстве в условиях умеренного или тропического климата.
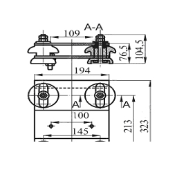
Троллеедержатели К263-К269 предназначены для установки троллеев на металлоконструкциях (кронштейнах) при монтаже главных троллейных линий напряжением до 500В постоянного тока и 660В переменного тока, для мостовых кранов.
Изготавливаются троллеедержатели двух видов: промежуточные и секционные.
Группа условий эксплуатации в части воздействия механических факторов внешней среды по ГОСТ 17516.1-90-М3. Виды климатического исполнения кронштейнов У1, Т1 по ГОСТ 15159-69.
|
Тип троллеедержателя |
Конструктивное исполнение, характеризующее данную группу изделий |
Допустимая нагрузка, Н |
Наибольшее междуфазное расстояние, мм |
|
ДТ-12Б-1У2 ДТН-12Б-1У1 |
Троллеедержатели крановые * для гибких троллеев. Профиль троллея круглый диаметром до 12 мм |
--- |
130 |
|
ДТН-8Е-У1 ДТ-11А-МУ2 |
Троллеедержатели крановые * для жестких стальных троллеев с верхним токоприёмом. Профиль троллея - уголок |
500 |
|
|
ДТ-2И-МУ2 |
Троллеедержатели главные ** для жестких стальных троллеев с верхним токоприёмом. Профиль троллея - уголок |
800 |
200 |
|
ДТ-2Д-1МУ2 ДТ-2Д-1У2 |
Троллеедержатели главные ** для жестких стальных троллеев с верхним токоприёмом. Профиль троллея - уголок, швеллер, двутавр, тавр, рельс, квадрат |
250 |
|
|
ДТН-2А-1МУ2 ДТН-2А-1МСУ1 ДТН-2А-2МУ1 |
3150 |
450
600 |
|
|
Д-30-ВГ-ПУ1 Д-30-ВГ-ПСУ1 |
Троллеедержатели главные ** для жестких стальных троллеев с верхним токоприёмом. Профиль троллея - уголок |
800 |
250 |
|
* Устанавливаются непосредственно на кране ** Устанавливаются в пролетах цехов |
|||
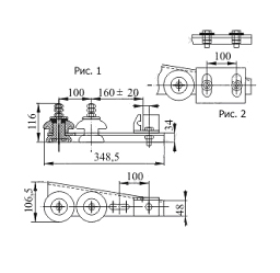
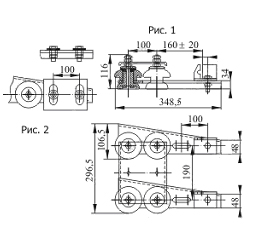
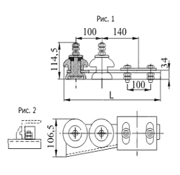
Троллеедержатели типа К263-К269 и У1246, У1247
|
Троллеедержатель К263 |
Троллеедержатель К267А |
||||||||
|
|
Обозначение |
К263.00.00 К263.00.00-01 |
|
К267А.00.00 К267А.00.00-01 |
К267А.00.00-02 К267А.00.00-03 |
||||
|
Тип |
Т-1П-У1 Т-1П-Т1 |
К267АУ1 К267АТ1 |
К267МУ1 К267ТУ1 |
||||||
|
Номинальная нагрузка; |
0,8 |
0,8 |
0,8 |
||||||
|
Вид троллея |
Секции троллейные К580-К589 ТУ 36-1036-81 |
Секции троллейные К580-К589 ТУ 36-1036-81 |
Двутавр ГОСТ 8239-89 Швеллер ГОСТ 8240-89 Квадрат ГОСТ 2591-88 |
||||||
|
Масса, кг; |
1,42 |
2,39 |
2,18 |
||||||
|
Троллеедержатель К264 |
Троллеедержатель К267АС |
||||||||
|
|
Обозначение |
К264.00.00 К264.00.00-01 |
|
К267АС.00.00 К267АС.00.00-01 |
К267АС.00.00-02 К267АС.00.00-03 |
||||
|
Тип |
Т-1C-У1 Т-1C-Т1 |
К267АСУ1 К267АСТ1 |
К267МСУ1 К267ТСУ1 |
||||||
|
Номинальная нагрузка; |
0,8 |
0,8 |
0,8 |
||||||
|
Вид троллея |
Секции троллейные К580-К589 ТУ 36-1036-81 |
Секции троллейные К580-К589 ТУ 36-1036-81 |
Двутавр ГОСТ 8239-89 Швеллер ГОСТ 8240-89 Квадрат ГОСТ 2591-88 |
||||||
|
Масса, кг; |
2,64 |
5,5 |
5,92 |
||||||
|
Троллеедержатель К265 |
Троллеедержатель К268 |
||||||||
|
|
Обозначение |
К265.00.00 К265.00.00-01 |
|
К268.00.00 К268.00.00-01 |
|||||
|
Тип |
Т-2П-У1 Т-2П-Т1 |
К-ДТН-2А-1М1-У1 |
|||||||
|
Номинальная нагрузка; |
2,0 |
2,0 |
|||||||
|
Вид троллея |
Двутавр ГОСТ 8239-89 Швеллер ГОСТ 8240-89 Квадрат ГОСТ 2591-88 |
Двутавр ГОСТ 8239-89 Швеллер ГОСТ 8240-89 Квадрат ГОСТ 2591-88 |
|||||||
|
Масса, кг; |
7,3 |
7,82 |
|||||||
|
Троллеедержатель К266 |
Троллеедержатель К269 |
||||||||
|
|
Обозначение |
К266.00.00 К266.00.00-01 |
|
К269.00.00 |
К269.00.00-01 |
||||
|
Тип |
Т-2C-У1 Т-2C-Т1 |
0,8 |
0,8 |
||||||
|
Номинальная нагрузка; |
2,0 |
Двутавр ГОСТ 8239-89 Швеллер ГОСТ 8240-89 Квадрат ГОСТ 2591-88 |
Секции троллейные К580-К589 ТУ 36-1036-81 |
||||||
|
Вид троллея |
Двутавр ГОСТ 8239-89 Швеллер ГОСТ 8240-89 Квадрат ГОСТ 2591-88 |
2,29 |
2,08 |
||||||
|
Масса, кг; |
7,3 |
К269МУ1 |
К269ГУ1 |
||||||
|
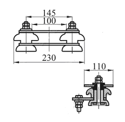
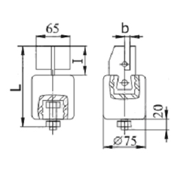
Троллеедержатель К267 |
Троллеедержатели У1246, У1247 |
||||||||
|
|
Обозначение |
К267.00.00 К267.00.00-01 |
|
Тип |
Размеры, мм |
Масса, кг L |
|||
|
Тип |
ДЗО-ПУ1, ДЗО-ПТ1 |
L |
I |
b |
|||||
|
Номинальная нагрузка |
0,8 |
У1246У2 |
110 |
35 |
7 |
0,92 |
|||
|
Вид троллея |
Секции троллейные К580-К589 ТУ 36-1036-81 |
У1247У2 |
125 |
50 |
9 |
0,94 |
|||
|
Масса, кг; |
2,4 |
||||||||
|
Троллеедержатели У1246, У1247 предназначены для крепления стальных троллеев уголкового профиля к металлоконструкциям при монтаже троллейных линий напряжением до 500В постоянного и 660 В переменного тока. Троллей фиксируется на троллеедержателе круглой шпонкой, привариваемой при монтаже к полке троллея. Рабочая нагрузка 0,8 кН |
|||||||||
Купить троллеедержатели в Екатеринбурге - по телефону 202-42-05, 8-905-806-77-71
Отгрузим в любой регион СНГ. Доставка до ТК за наш счет.
Для расчета стоимости заполните заявку или свяжитесь с нашими менеджерами по телефонам:Раздел не найден



















































































