Трансформатор понижающий ТСМ-0,16 380/19
Трансформаторы серии ТСМ (трехфазные, сухие, многоцелевые) мощностью 0,16... 1,0 кВ*А предназначены для включения в трехфазную сеть и питания пониженным напряжением выпрямительных схем, полупроводниковых преобразователей станков и лифтов, электрического инструмента и различных потребителей в электроустановках общего назначения.
Напряжение первичной обмотки трансформатора 220, 380 В, а вторичной от 12 до 220 В. Схема и группа соединения обмоток Δ/Yн-11. Трансформаторы предназначены для эксплуатации в закрытых помещениях в условиях холодного, умеренного и тропического климата.
Трансформаторы устойчивы к механическим воздействиям с максимальным ускорением:
- lg в диапазоне частот 0,5...55 Гц для мощностей до 0,63 кВ*А включитильно (при установке в любом положении);
- 0,5g в диапазоне частот 0,5...35 Гц для мощности 1,0 кВ*А (при установке на горизонтальной плоскости).
Трансформаторы выполнены на витых разрезных сердечниках с катушками из медного провода, пропитаны в сборе в электроизоляционном лаке в установке вакуумной пропитки.
ЭЛЕКТРИЧЕСКАЯ СХЕМА
Мощность, кВ*А | Напряжение обмоток, В | Ток холостого хода | Напряжение короткого замыкания | К.П.Д. (%) | ||||
|---|---|---|---|---|---|---|---|---|
первичной | вторичной | Номин. | Пред, откл. | Номин. | Пред, откл. | Номин. | Пред, откл. | |
% | ||||||||
0.16 | 220; 380 | Of 12 up to 220 | 24 | +30 | 13 | +20 | 84 | -2 |
0.25 | 10.5 | 86 | ||||||
0.4 | 20 | 7.0 | 89 | |||||
0.63 | 5.5 | 91 | ||||||
1.0 | 5.0 | 92 | ||||||
Примечание: Предельные отклонения указаны в процентах от номинального значения.
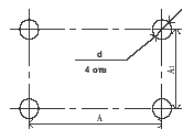
ГАБАРИТНЫЕ, УСТАНОВОЧНЫЕ РАЗМЕРЫ
Расположение отверстий для |
Тип | Вmax | Lmax | Нmax | A | A1 | d | Масса |
|---|---|---|---|---|---|---|---|
мм | кг | ||||||
ТСМ-0.16 | 195 | 100 | 110 | 160 | 70 | 7.0 | 3.5 |
ТСМ-0.25 | 235 | 115 | 125 | 200 | 5.4 | ||
ТСМ-0.4 | 245 | 130 | 150 | 210 | 90 | 7.5 | |
ТСМ-0.63 | 300 | 160 | 260 | 11.0 | |||
ТСМ-1.0 | 365 | 125 | 190 | 325 | 13.7 | ||
Наши квалифицированные специалисты обязательно вам помогут.
Задать вопрос
Дополнительная вкладка, для размещения информации о магазине, доставке или любого другого важного контента. Поможет вам ответить на интересующие покупателя вопросы и развеять его сомнения в покупке. Используйте её по своему усмотрению.
Вы можете убрать её или вернуть обратно, изменив одну галочку в настройках компонента. Очень удобно.
- Рекомендуем
-
Арматура светосигнальная
-
Выключатель автоматический
-
Выключатель автоматический серии Schneider
-
Выключатель автоматический серии А
-
Выключатель автоматический серии АВ2М
-
Выключатель автоматический серии АЕ
-
Выключатель автоматический серии АП
-
Выключатель автоматический серии ВА
- Выключатель автоматический ВА 47-29 2 полюса
- Выключатель автоматический ВА 47-29 3 полюса
- Выключатель автоматический ВА 47-29 1П
- Выключатель автоматический ВА 04-36
- Выключатель автоматический ВА 21-29
- Выключатель автоматический ВА 50-41
- Выключатель автоматический ВА 50-43
- Выключатель автоматический ВА 51-25, ВА 51Г-25
- Выключатель автоматический ВА 51-35, ВА 52-35
- Выключатель автоматический ВА 51-39, ВА 52-39
- Выключатель автоматический ВА 52-37, ВА 52-38
- Выключатель автоматический ВА 57-31
- Выключатель автоматический ВА 57-35, ВА 57ф-35
- Выключатель автоматический ВА 57-39
-
Выключатель автоматический серии ДЭК
-
Выключатель автоматический серии Э (электрон)
-
Выключатель автоматический серии АВМ
-
-
Выключатель конечный (путевой)
-
Выключатель пакетный
-
Гидротолкатель
-
Звонки
-
Изолента
-
Изоляторы
-
Инструмент
-
Кабель, провод, тара
-
Витая пара (Кабель компьютерный)
-
Кабель бронированный АВБбШв, ВБбШв, КВБбШв
-
Кабель водопогружной
-
Кабель гибкий экранированный КГВЭВ, КГВЭВнг
-
Кабель городской телефонной связи ТППэп
-
Кабель контрольный КВВГ, КВВГнг, КВВБГ,КВВГзнг
-
Кабель радиочастотный РК
-
Кабель сварочный КОГ1, ПУН
-
Кабель сигнально-блокировочный СБВГ
-
Кабель силовой ААШв
-
Кабель силовой гибкий, негорючий КПГСН
-
Кабель силовой с пластмассовой изоляцией ВВГ, АВВГ
-
Кабель силовой с поясной изоляцией NYM
-
Кабель силовой с резиновой изоляцией ВРГ
-
Кабель силовой с резиновой изоляцией КГ, Кгхл
-
Кабель силовой шланговый, гибкий РПШ
-
Кабель управления КУПЭВ
-
Провод автомобильный
-
Провод АППВ
-
Провод взрывной
-
Провод МКЭШ
-
Провод ПАЛ, АС
-
Провод прогревочный
-
Провод с поливинилхлоридной изоляцией АПВ,ПВ, ППВ
-
Провод самонесущий изолированный СИП
-
Провод телефонный, витая пара ТРП, ТРВ, П-274м
-
Провод установочный плоский ПУНП, ПУГНП
-
Провод шланговый ПВС, ПРС, ШВВП, ППВ
- Тара
-
Эмальпровод ПЭТВ-1, ПЭТВ-2, ПСДКТ, ПЭТ-155
-
-
Катушки к контакторам, пускателям и магнитам
-
Клеммы, колодки
-
Кнопка, пост кнопочный
-
Командоаппарат, контроллер
-
Контактор
-
Контакты для контакторов и пускателей
-
Лампа
-
Лифтовое оборудование
-
Метизы, крепеж
-
Переключатели
- Прочее
-
Пускатель электромагнитный
-
Разрядник
-
Разъем кабельный
-
Реле и датчики
-
Рубильники, разъединители
-
Рудничное
-
Светильник
- Строительные услуги
-
Счетчик электроэнергии
-
Теплые полы
-
Токоприемники
-
Тормоз колодочный
-
Трансформатор тока
-
Датчик тока ДТ-0,66
-
Трансформатор тока Т 0,66
-
Трансформатор тока ТЛ-10-I У3
-
Трансформатор тока ТЛК-10
-
Трансформатор тока ТЛМ-10
-
Трансформатор тока ТЛШ-10 У3
-
Трансформатор тока ТЛШ-10-1 У3
-
Трансформатор тока ТЛШ-10-5 У3
-
Трансформатор тока ТНШ 0,66 У3
-
Трансформатор тока ТНШЛ 0,66 У2
-
Трансформатор тока ТОЛ-10 УХЛ2.1
-
Трансформатор тока ТОЛ-10-I-1 (-2) У2
-
Трансформатор тока ТОЛ-10-I-3 (-4) У2
-
Трансформатор тока ТОЛ-10-I-5 (-6) У2
-
Трансформатор тока ТОЛ-10-I-7 (-8) У2, 3-х обмот.
-
Трансформатор тока ТОЛ-35-III-II УХЛ1
-
Трансформатор тока ТОЛК-10 05.1
-
Трансформатор тока ТОЛК-6 05.1
-
Трансформатор тока ТОП 0,66 У3
-
Трансформатор тока ТПЛ-10-М У2
-
Трансформатор тока ТПЛ-20 УХЛ2
-
Трансформатор тока ТПЛ-35 УХЛ2
-
Трансформатор тока ТПЛК-10 У3
-
Трансформатор тока ТПОЛ-10 У3
-
Трансформатор тока ТПОЛ-10-1 У3
-
Трансформатор тока ТПОЛ-10-3 У3
-
Трансформатор тока ТФЗМ
-
Трансформатор тока ТШЛ 0,66 У3
-
Трансформатор тока ТШЛ-10 УТ3
-
Трансформатор тока ТШЛ-20-I УХЛ2
-
Трансформатор тока ТШЛП-10 УТ3
-
Трансформатор тока ТШП 0,66 У3
-
Трансформатор тока нулевой последовательности
-
Трансформатор ТСЗИ
-
Трансформатор ТСМ
-
-
Трансформатор, стабилизатор
-
Силовой трансформатор
-
Трансформатор напряжения
-
Трансформатор ОСМ
- Трансформатор понижающий ОСМ1 63 Вт
- Трансформатор понижающий ОСМ1 100 Вт
- Трансформатор понижающий ОСМ1 160 Вт
- Трансформатор понижающий ОСМ1 250 Вт
- Трансформатор понижающий ОСМ1 400 Вт
- Трансформатор понижающий ОСМ1 630 Вт
- Трансформатор понижающий ОСМ1 1000 Вт
- Трансформатор понижающий ОСМ1 1600 Вт
- Трансформатор понижающий ОСМ1 2500 Вт
- Трансформатор понижающий ОСМ1 4000 Вт
- Трансформатор понижающий ОСМ 5000 Вт
-
Трансформатор ОСО
-
-
Трансформаторная подстанция
-
Троллеедержатель
-
Труба гофрированная
-
Тумблер
- Удлинитель, тройник, вилка
- Установочные
- Шильдики
- Щетки для электродвигателей
- Щеткодержатели к электродвигателям
-
Щитовая продукция
- Вводно-распределительное устройство ВРУ1
- Пункт распределительный ПР11
- Пункт распределительный ПР8000
- Шильдики, наклейки
- Шины и комплектующие к щитам
- Шкаф распределительный ШР11, ШРЭ
- Шкаф распределительный ШРС-1
- Щит аварийного переключения на резерв
- Щит металлический (корпус)
-
Ящик с понижающим трансформатором
- Ящик управления
-
Электродвигатели
-
Преобразователи частоты
-
Устройства плавного пуска
-
Дополнительное оборудование
-
Пульты управления
-
Аксессуары
-
Опции
-
Электромагнит
- Электронагреватель
- Элементы питания
-
Ящик с рубильником
-
Металлообработка
- Перемотка двигателей
Раздел не найден.







































































































































































































































