Трансформатор понижающий ОСВР1-1,0 380/12-127
Трансформаторы серии ОСВР 1 (однофазные, сухие, для взрывозащищенного и рудничного оборудования) мощностью 0,05...1,0 кВ*А напряжением первичной обмотки до 660 В предназначены для питания цепей управления рудничного и взрывозащищенного электрооборудования.
Трансформаторы экспортного исполнения изготавливаются также на напряжение первичной обмотки: 115, 230, 240, 400, 415, 440 и 550 В. Трансформаторы выпускаются для эксплуатации в условиях умеренного и тропического климата.
Трансформаторы одного типа различных климатических исполнений одинаковы по всем электрическим параметрам, конструкции, габаритным, установочным размерам и отличаются только защитными покрытиями.
Трансформаторы выполнены на витом разрезном магнитопроводе из холоднокатаной электротехнической стали. Катушки трансформаторов каркасной конструкции, обмотки выполнены медным проводом с теплостойкой изоляцией. Трансформаторы в сборе пропитаны влагостойким электроизоляционным лаком в установке вакуумной пропитки. Контактные зажимы трансформаторов расположены на изоляционных колодках из дугостойкой пластмассы.
Трансформаторы имеют усиленную изоляцию, что повышает безопасность их обслуживания, обладают повышенной устойчивостью к перенапряжениям в сети.
По согласованию с потребителем трансформаторы могут быть изготовлены со схемами и напряжениями, отличными от приведенных ниже.
Тип трансформатора | Ток холостого хода | Напряжение короткого замыкания | К.П.Д. (%) | |||
|---|---|---|---|---|---|---|
Номин. | Пред. | Номин. | Пред. | Номин. | Пред. | |
ОСВР 1-0.05 | 20 | +30 | 15.0 | +10 | 81.5 | -2 |
ОСВР 1-0.08 | 11.0 | 85.5 | ||||
ОСВР 1-0.16 | 16 | 8.0 | 88.5 | |||
ОСВР 1-0.25 | 89.5 | |||||
ОСВР 1-0.4 | 5.0 | 92.5 | ||||
ОСВР 1-0.63 | 12 | 4.5 | 93.5 | |||
ОСВР 1-1.0 | 3.5 | 94.5 | ||||
Трехобмоточный трансформатор с ответвлениями на вторичной обмотке
Схема трехобмоточного | Тип | Номинальная | Номинальное напряжение | |||
|---|---|---|---|---|---|---|
первичной | вторичных | |||||
U2 | U3 | U1 | U2 | U3 | ||
ОСВР 1-0.05 | 0.025 | 0.025 | 220 | 110; | 42 | |
Трехобмоточный трансформатор
Схема трехобмоточного | Тип трансформатора | Номинальная мощность вторичных обмоток, кВ*А | Номинальное напряжение обмоток, В | |||
|---|---|---|---|---|---|---|
первичной | вторичных | |||||
U2 | U3 | U1 | U2 | U3 | ||
ОСВР 1-0.05 | 0.015 | 0.015 | 36 | 110; | 18 | |
0.030 | 0.020 | 380; | 36; | 36 | ||
0.035 | 0.015 | 36; | 24; | 5; | ||
36 | 18 | |||||
ОСВР 1-0.08 | 0.048 | 0.032 | 380; | 24; | 18 | |
36; | 24 | |||||
Четырехобмоточный трансформатор
Схема четырехобмоточного | Тип | Номинальная | Номинальное напряжение | |||||
|---|---|---|---|---|---|---|---|---|
первичной | вторичной | |||||||
U2 | U3 | U4 | U1 | U2 | U3 | U4 | ||
ОСВР 1-0.16 | 0.080 | 0.072 | 0.008 | 380; | 36 | 110; | 18; 24; | |
ОСВР 1-0.25 | 0.125 | 0.113 | 0.012 | |||||
ОСВР 1-0.4 | 0.200 | 0.180 | 0.020 | |||||
Двухобмоточный трансформатор с ответвлениями на вторичной обмотке
Схема двухобмоточного | Тип | Номинальная | Номинальное напряжение | |
|---|---|---|---|---|
первичной | вторичной | |||
U1 | U2 | |||
ОСВР 1-0.05 | 0.05 | 380; 660 | 36, с отв. - 12; | |
ОСВР 1-0.08 | 0.08 | |||
ОСВР 1-0.16 | 0.16 | |||
ОСВР 1-0.25 | 0.25 | |||
ОСВР 1-0.4 | 0.4 | 110, с отв. - 12; | ||
ОСВР 1-0.63 | 0.63 | |||
ОСВР 1-1.0 | 1.0 | |||
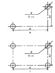
ГАБАРИТНЫЕ, УСТАНОВОЧНЫЕ РАЗМЕРЫ | |
|---|---|
Расположение отверстий а - для трансформаторов 0,05 и 0,08 кВ*А. | |
Тип | В | L | Н | А | A1 | d | Масса |
|---|---|---|---|---|---|---|---|
мм | кг | ||||||
ОСВР 1-0.05 | 85 | 70 | 90 | 52 | 58 | 5.5 | 1.2 |
ОСВР 1-0.08 | 86 | 73 | 6.5 | 1.8 | |||
ОСВР 1-0.16 | 105 | 90 | 107 | 60 | 78 | 2.7 | |
ОСВР 1-0.25 | 106 | 130 | 90 | 3.9 | |||
ОСВР 1-0.4 | 135 | 140 | 80 | 5.5 | |||
ОСВР 1-0.63 | 165 | 105 | 170 | 105 | 85 | 7.7 | |
ОСВР 1-1.0 | 148 | 125 | 13.0 | ||||
Задать вопрос
Дополнительная вкладка, для размещения информации о магазине, доставке или любого другого важного контента. Поможет вам ответить на интересующие покупателя вопросы и развеять его сомнения в покупке. Используйте её по своему усмотрению.
Вы можете убрать её или вернуть обратно, изменив одну галочку в настройках компонента. Очень удобно.
Раздел не найден.







































































































































































































































